Клапан противопожарный ОЗ-90
Клапан противопожарный ОЗ изготавливается с режимами работы:
- (НО) нормально открытый (огнезадерживающий);
- (НЗ) нормально закрытый (приточные, вытяжные и дымоудаления).
Нормально открытый (НО) предназначен для блокирования распространения огня и продуктов горения по воздуховодам, шахтам и каналам систем вентиляции и кондиционирования при пожаре в зданиях и сооружениях различного назначения. Устанавливается в проемах или в местах прохода указанных систем через противопожарные преграды с нормируемым пределом огнестойкости (противопожарные стены, перегородки и перекрытия).
Нормально закрытый (НЗ) предназначен для использования в системах приточной и вытяжной противодымной вентиляции и в системах дымоудаления. Открывается во время или после пожара. Устанавливается в проемах стен, перекрытий, подвесных потолков, а также в торце воздуховодов.
Применение клапана ОЗ осуществляется в соответствии с требованиями СП 60.13330.2020, CП 7.13130.2013, ГОСТ Р 53301-2013 и действующими территориальными строительными нормами.
Климатическое исполнение и категория размещения - УЗ по ГОСТ 15150-69. Окружающая среда не должна содержать агрессивных паров и газов в концентрациях, разрушающих металлы, лакокрасочные покрытия и изоляцию.
Клапаны не подлежат установке в помещениях категорий А и Б по взрывопожароопасности, в системах вентиляции и местах отсоса взрывопожароопасных и агрессивных сред, а также в системах, не подвергающихся очистке от горючих отложений.
Клапаны ОЗ состоят из корпуса, заслонки и привода. Выпускаются прямоугольного или круглого сечения.
Клапаны прямоугольного сечения по умолчанию изготовлены с присоединительными фланцами.
Клапаны круглого сечения имеют могут быть изготовлены как с ниппельным так и с фланцевым соединением.
Противопожарные клапаны ОЗ изготавливаются из оцинкованной стали.
Предел огнестойкости EI 90 где:
E – потеря целостности. Она проявляется образованием в конструкции сквозных отверстий или трещин, через которые на обратную (необогреваемую) поверхность проникают продукты горения и (или) открытое пламя.
I – Потеря теплоизолирующей способности. Она характеризуется повышением температуры на необогреваемой поверхности конструкции до предельных значений.
90 – количество минут от начала огненного воздействия до проявления одного или нескольких признаков предельных состояний.
Конструктивно клапаны ОЗ-90 изготавливаются двухсекционными. В двухсекционных клапанах, между секциями проложен огнеупорный материал, выполняющий роль температурного шва.
Способы управления заслонкой клапана ОЗ
|
Тип привода |
Принцип срабатывания привода |
Механизм перевода заслонки |
Способ перевода заслонки |
||
|
в рабочее положение |
в исходное положение |
из рабочего положения в исходное (многократное использование) |
Из исходного положения в рабочее |
||
|
М |
отключение питающего напряжения |
возвратная пружина |
электропривод |
дистанционный с пульта управления |
автоматический, по сигналам пожарной автоматики;
дистанционный с пульта управления
от кнопки/тумблера в месте установки клапана |
|
вручную |
|||||
|
Р |
подача напряжения на соответствующие клеммы питания привода |
электропривод |
электропривод |
дистанционный с пульта управления |
|
|
вручную |
|||||
|
ЭМ |
подача напряжения на электромагнит* |
возвратная пружина |
- |
вручную |
|
* Подача напряжения на катушку электромагнита не более 1 минуты по требованиям производителя.
Удельное сопротивление дымогазопроницанию*
|
L*H, мм (проходное сечение клапана) |
D, мм (диаметр проходного сечения клапана) |
Удельное сопротивление, м3/кг |
|
100*100...500*500 |
100...315 |
не менее 12000 |
|
свыше 500*500...1000*1000 |
355...710 |
13000...25000 |
|
свыше 1000*1000...1500*1000 |
800 |
свыше 25000 |
* Удельное сопротивление указано для цельного клапана (не в виде кассет) согласно таблицам типоразмерного ряда.
Габаритные и присоединительные размеры (мм)
Клапаны противопожарные ОЗ прямоугольного сечения изготавливаются с шагом 50 мм.
Клапаны размером свыше максимального изготавливаются в виде кассеты из нескольких цельных клапанов, при этом общая высота (H) кассеты не больше 1500 мм.
Длина (L) цельного клапана должна быть больше высоты (H).
Минимальные и максимальные размеры клапанов ОЗ прямоугольного сечения
|
Тип клапана |
Проходное сечение (L*H), мм |
||
|
минимальное |
максимальное |
||
|
цельного клапана |
клапана в виде кассет |
||
|
Канальный |
100*100 |
1500*500 1000*1000 |
2000*1500 |
|
Стеновой |
300*300 |
1000*1000 |
|
Клапаны противопожарные ОЗ круглого сечения изготавливаются только представленных типоразмеров и канального типа с расположением привода снаружи.
Минимальные и максимальные размеры клапанов ОЗ круглого сечения
|
Тип клапана |
Диаметр проходного сечения (D), мм |
|
|
минимальный размер |
максимальный размер |
|
|
Канальный |
100 |
800 |
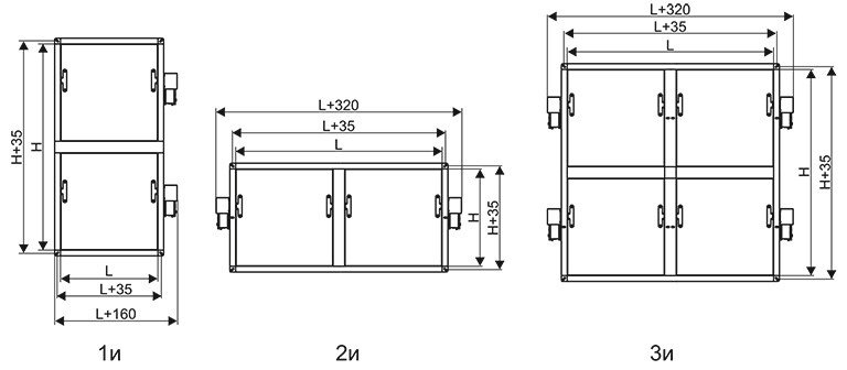
Типоразмеры клапанов ОЗ прямоугольного сечения канального типа

Клапаны ОЗ-90 прямоугольного сечения канального типа

L*H - проходное сечение клапана, мм; В, В1 - вылет заслонки за корпус клапана
* - Справочный размер, зависящий от типа привода.
Величина вылета заслонки клапанов ОЗ-90 прямоугольного сечения канального типа
|
H, мм |
100 |
150 |
200 |
250 |
300 |
350 |
400 |
450 |
500 |
550 |
600 |
650 |
700 |
750 |
800 |
850 |
900 |
950 |
1000 |
|
B, мм |
0 |
0 |
25 |
50 |
75 |
100 |
125 |
150 |
175 |
200 |
225 |
250 |
275 |
300 |
325 |
350 |
375 |
400 |
425 |
|
B1, мм |
0 |
0 |
0 |
0 |
0 |
0 |
0 |
0 |
15 |
40 |
65 |
90 |
115 |
140 |
165 |
190 |
215 |
240 |
265 |
Масса клапанов ОЗ-90 прямоугольного сечения канального типа, кг

Клапаны ОЗ-90 канального типа в виде кассет

Коэффициент местного сопротивления ε клапанов ОЗ-90 канального типа

Площадь живого сечения клапанов ОЗ-90 прямоугольного сечения канального типа, м2

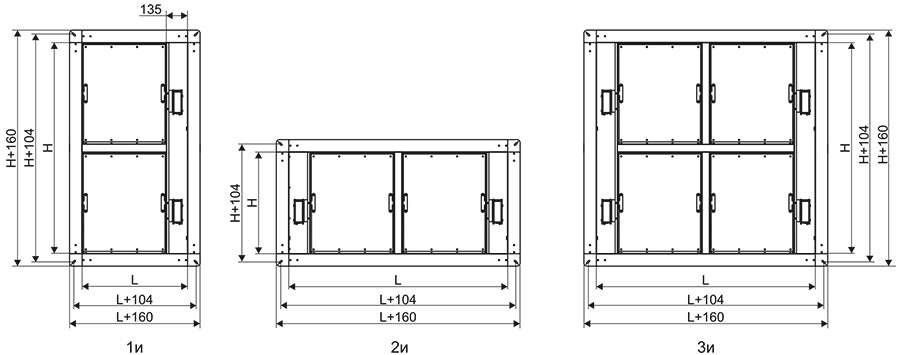
Типоразмеры клапанов ОЗ прямоугольного сечения стенового типа

Клапан ОЗ-90 прямоугольного сечения стенового типа

Габаритные размеры клапана ОЗ-90 прямоугольного сечения стенового типа
|
H, мм |
300* |
350* |
400 |
450 |
500 |
550 |
600 |
650 |
700 |
750 |
800 |
850 |
900 |
950 |
1000 |
|
C, мм |
300 |
300 |
300 |
350 |
350 |
400 |
400 |
450 |
450 |
500 |
500 |
550 |
550 |
600 |
600 |
|
В, мм (не более) |
0 |
50 |
100 |
100 |
150 |
150 |
200 |
200 |
250 |
250 |
300 |
300 |
350 |
350 |
400 |
* Электромагнитный привод (ЭМ) на данный типоразмер не устанавливается. Вылет заслонки за пределы корпуса на лицевой стороне клапана отсутствует
Масса клапанов ОЗ-90 прямоугольного сечения стенового типа, кг

Клапаны ОЗ-90 стенового типа в виде кассет

Площадь живого сечения клапанов ОЗ-90 стенового типа, м2

Коэффициент местного сопротивления ε клапанов ОЗ-90 стенового типа

Габаритные и присоединительные размеры клапана ОЗ-90 круглого сечения

1 - электропривод; 2 - корпус клапана; 3 - заслонка.
D - диаметр клапана, мм.
D1 - диаметр расположения присоединительных отверстий.
В, В1 - вылет заслонки за корпус клапана.
|
D, мм |
100 |
125 |
140 |
160 |
180 |
200 |
225 |
250 |
280 |
315 |
355 |
400 |
450 |
500 |
560 |
630 |
710 |
800 |
|
D1, мм |
125 |
150 |
170 |
180 |
200 |
235 |
255 |
290 |
310 |
350 |
385 |
435 |
480 |
535 |
590 |
665 |
740 |
830 |
|
B, мм |
0 |
0 |
0 |
0 |
0 |
0 |
7,5 |
20 |
40 |
52,5 |
72,5 |
95 |
120 |
145 |
175 |
210 |
250 |
295 |
|
B1, мм |
0 |
0 |
0 |
0 |
0 |
0 |
0 |
0 |
0 |
0 |
0 |
0 |
0 |
0 |
0 |
0 |
0 |
40 |
Площадь живого сечения клапанов ОЗ-90, м2
|
D, мм |
100 |
125 |
140 |
160 |
180 |
200 |
225 |
250 |
280 |
315 |
355 |
400 |
450 |
500 |
560 |
630 |
710 |
800 |
|
F, м2 |
0,006 |
0,01 |
0,013 |
0,017 |
0,022 |
0,027 |
0,035 |
0,044 |
0,053 |
0,071 |
0,091 |
0,12 |
0,15 |
0,19 |
0,23 |
0,3 |
0,38 |
0,48 |
Коэффициент местного сопротивления ε клапанов ОЗ-90
|
D, мм |
100 |
125 |
140 |
160 |
180 |
200 |
225 |
250 |
280 |
315 |
355 |
400 |
450 |
500 |
560 |
630 |
710 |
800 |
|
ε |
3,5 |
2,8 |
2,1 |
1,56 |
1,23 |
1,01 |
0,57 |
0,4 |
0,35 |
0,25 |
0,2 |
0,17 |
0,15 |
0,13 |
0,11 |
0,11 |
0,08 |
0,06 |
Масса клапанов ОЗ-90-НЗ с реверсивным приводом (Р)
|
D, мм |
100 |
125 |
140 |
160 |
180 |
200 |
225 |
250 |
280 |
315 |
355 |
400 |
450 |
500 |
560 |
630 |
710 |
800 |
|
m, кг |
4,8 |
5,3 |
5,7 |
6,2 |
6,7 |
7,2 |
7,8 |
8,4 |
9,3 |
10,3 |
11,5 |
13,1 |
14,5 |
16,9 |
19,3 |
20,5 |
23 |
25,9 |
Масса клапанов ОЗ-90-НО с электромеханическим приводом (М)
|
D, мм |
100 |
125 |
140 |
160 |
180 |
200 |
225 |
250 |
280 |
315 |
355 |
400 |
450 |
500 |
560 |
630 |
710 |
800 |
|
m, кг |
4,2 |
4,8 |
5,1 |
5,7 |
6,3 |
6,8 |
7,6 |
8,3 |
9,4 |
10,6 |
12,1 |
14,1 |
16,3 |
18,9 |
22 |
23,3 |
26,5 |
30,1 |
Масса клапанов ОЗ-90-НЗ с электромагнитным приводом (ЭМ)
|
D, мм |
100 |
125 |
140 |
160 |
180 |
200 |
225 |
250 |
280 |
315 |
355 |
400 |
450 |
500 |
560 |
630 |
710 |
800 |
|
m, кг |
5,7 |
6,3 |
6,6 |
7,1 |
7,6 |
8,1 |
8,7 |
9,4 |
10,2 |
11,3 |
12,5 |
14 |
15,7 |
17,8 |
20,2 |
21,5 |
24 |
26,9 |
Масса клапанов ОЗ-90-НО с электромагнитным приводом (ЭМ)
|
D, мм |
100 |
125 |
140 |
160 |
180 |
200 |
225 |
250 |
280 |
315 |
355 |
400 |
450 |
500 |
560 |
630 |
710 |
800 |
|
m, кг |
5,8 |
6,4 |
6,7 |
7,3 |
7,9 |
8,5 |
9,2 |
10 |
11 |
12,2 |
13,7 |
15,7 |
17,8 |
20,5 |
23,6 |
24,9 |
28,1 |
31,7 |
Характеристики электромагнитного привода и приводов производства РОВЕН
|
Характеристика |
Электро-магнитный |
Электромеханический РОВЕН* |
Реверсивный РОВЕН* |
|||||
|
RLF03-24S |
RLF03-220S |
RLF05-24S |
RLF05-220S |
RLE10- 24S |
RLE10- 220S |
|||
|
Время поворота, с |
2 |
25...45 (возвратная пружина <15) |
50...70 (возвратная пружина <25) |
<30 |
<30 |
|||
|
Крутящий момент, Нм |
- |
3 |
3 |
5 |
5 |
10 |
10 |
|
|
Напряжение электропитания привода, В |
24/220 |
~24±10% |
~230±10% |
~24±10% |
~230±10% |
24 |
220 |
|
|
Потребляемая мощность, Вт |
во время вращения |
70 |
5,0 |
5,0 |
5,0 |
5,0 |
4,0 |
4,0 |
|
в состоянии покоя |
- |
3,5 |
3,5 |
3,5 |
3,5 |
3,0 |
3,0 |
|
|
Рабочая температура, °С |
-30...+50 |
-30..+50 |
-30..+50 |
-30..+50 |
-30..+50 |
-30..+50 |
-30..+50 |
|
|
Степень защиты |
IP54 |
IP54 |
IP54 |
IP54 |
IP54 |
IP54 |
IP54 |
|
|
Вес, кг |
1,5 |
1,2 |
1,2 |
1,8 |
1,8 |
1,8 |
1,8 |
|
* Полная информация по электроприводам РОВЕН в разделе "Электроприводы RWE/RWF, RLE/RLF".
Схемы установки клапанов

А - обслуживаемое помещение;
Б - помещение, смежное с обслуживаемым;
1 - строительная конструкция; 2 - корпус клапана; 3 - воздуховод; 4 - ось заслонки; 5 - наружная огнезащита; 6 – отрезок воздуховода; 7 - уголок, ограничивающий часть поверхности корпуса клапана, которая устанавливается в строительную конструкцию или покрывается огнезащитой (при установке клапана за пределами конструкции); 8 - защитный кожух, 9 - привод.
Электрические схемы подключения клапанов ОЗ


Не представленные в наличии модели доступны к поставке под заказ
Всю необходимую информацию также можно получить по телефону «горячей линии»
+ 7 800 200 93 96или по телефону
+7 800 505 08 67 получить консультацию