Вставка гибкая взрывозащищенная для вентиляторов РОСА-Ex
Вставки гибкие круглые предназначены для предотвращения передачи вибрации от вентилятора к воздуховоду и применяются в вентиляционных системах, перемещающих воздух в интервалах температур от -45°С до +70°С.
Корпус вставки изготовлен из оцинкованной стали, в середине закреплена лента из антистатического материала, обеспечивающая герметичность канала. Конструкция вставки позволяет крепить её к фланцам вентиляторов с помощью болтов или реечного соединения.
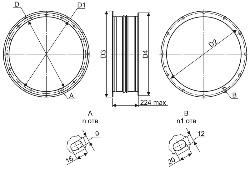
Вставки гибкие круглые с типом соединения фланец-фланец для вентиляторов РОСА-Ex

|
Модель |
№ вент. |
D |
D1 |
D2 |
D3 |
D4 |
n, шт |
n1, шт |
Масса, кг |
|
ВГК-РОСА-4,0-Ф/Ф-Ех |
4,0 |
400 |
434 |
436 |
463 |
453 |
8 |
8 |
3,3 |
|
ВГК-РОСА-4,5-Ф/Ф-Ех |
4,5 |
450 |
479 |
486 |
513 |
503 |
8 |
8 |
3,6 |
|
ВГК-РОСА-5,0-Ф/Ф-Ех |
5,0 |
500 |
534 |
536 |
563 |
553 |
16 |
12 |
4,0 |
|
ВГК-РОСА-5,6-Ф/Ф-Ех |
5,6 |
560 |
589 |
620 |
643 |
613 |
16 |
12 |
5,1 |
|
ВГК-РОСА-6,3-Ф/Ф-Ех |
6,3 |
630 |
665 |
690 |
713 |
683 |
16 |
12 |
5,7 |
|
ВГК-РОСА-7,1-Ф/Ф-Ех |
7,1 |
710 |
739 |
770 |
793 |
763 |
16 |
16 |
6,4 |
|
ВГК-РОСА-8,0-Ф/Ф-Ех |
8,0 |
800 |
829 |
860 |
883 |
853 |
16 |
16 |
7,2 |
|
ВГК-РОСА-9,0-Ф/Ф-Ех |
9,0 |
900 |
938 |
960 |
983 |
953 |
16 |
16 |
8,0 |
|
ВГК-РОСА-10,0-Ф/Ф-Ех |
10,0 |
1000 |
1030 |
1070 |
1103 |
1053 |
16 |
16 |
10,0 |
|
ВГК-РОСА-11,2-Ф/Ф-Ех |
11,2 |
1120 |
1158 |
1195 |
1223 |
1173 |
16 |
16 |
11,2 |
|
ВГК-РОСА-12,5-Ф/Ф-Ех |
12,5 |
1250 |
1280 |
1320 |
1353 |
1303 |
16 |
16 |
12,5 |
Маркировка:
Вставка гибкая ВГК-РОСА-4,0-Ф/Ф-Ex
где: ВГК-РОСА – вставка гибкая круглая для осевых вентиляторов РОСА-Ex;
4,0 – типоразмер вставки гибкой круглой (номер вентилятора);
Ф/Ф – тип соединения вставки гибкой круглой: Ф/Ф – фланец-фланец;
Ех – исполнение вставки гибкой круглой: Ех – взрывозащищённое.
Вставки гибкие круглые с типом соединения фланец-ниппель для вентиляторов РОСА-Ex

|
Модель |
№ вент. |
D |
D1 |
D2 |
n, шт |
Масса, кг |
|
ВГК-РОСА-4,0-Ф/Н-Ех |
4,0 |
399 |
436 |
463 |
8 |
2,2 |
|
ВГК-РОСА-4,5-Ф/Н-Ех |
4,5 |
449 |
486 |
513 |
8 |
2,4 |
|
ВГК-РОСА-5,0-Ф/Н-Ех |
5,0 |
499 |
536 |
563 |
12 |
2,7 |
|
ВГК-РОСА-5,6-Ф/Н-Ех |
5,6 |
559 |
620 |
643 |
12 |
3,6 |
|
ВГК-РОСА-6,3-Ф/Н-Ех |
6,3 |
629 |
690 |
713 |
12 |
4,0 |
|
ВГК-РОСА-7,1-Ф/Н-Ех |
7,1 |
709 |
770 |
793 |
16 |
4,5 |
|
ВГК-РОСА-8,0-Ф/Н-Ех |
8,0 |
799 |
860 |
883 |
16 |
5,1 |
|
ВГК-РОСА-9,0-Ф/Н-Ех |
9,0 |
899 |
960 |
983 |
16 |
5,7 |
|
ВГК-РОСА-10,0-Ф/Н-Ех |
10,0 |
999 |
1070 |
1103 |
16 |
7,4 |
|
ВГК-РОСА-11,2-Ф/Н-Ех |
11,2 |
1119 |
1195 |
1223 |
16 |
8,3 |
|
ВГК-РОСА-12,5-Ф/Н-Ех |
12,5 |
1249 |
1320 |
1353 |
16 |
9,2 |
Маркировка:
Вставка гибкая ВГК-РОСА-4,0-Ф/Н-Ex
где: ВГК-РОСА – вставка гибкая круглая для осевых вентиляторов РОСА-Ex;
4,0 – типоразмер вставки гибкой круглой (номер вентилятора);
Ф/Н – тип соединения вставки гибкой круглой: Ф/Н – фланец-ниппель;
Ех – исполнение вставки гибкой круглой: Ех – взрывозащищенное.
Не представленные в наличии модели доступны к поставке под заказ
Оповестить о поступлении
Всю необходимую информацию также можно получить по телефону «горячей линии»
+ 7 800 200 93 96или по телефону
+7 800 505 08 67 получить консультацию